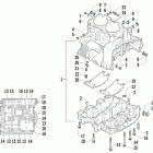
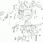
ZR 5000 LXR 137 BLACK (2017)

Оригинальные запчасти для снегоходов Arctic Cat

Выбор узла

ZR 5000 LXR 137 BLACK (2017)