LYNX 2000 LT BLACK (2017)

Оригинальные запчасти для снегоходов Arctic Cat

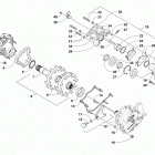
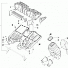
Выбор узла

LYNX 2000 LT BLACK (2017)