PANTERA 7000 LTD EB BLACK (2016)

Оригинальные запчасти для снегоходов Arctic Cat

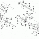
Выбор узла

PANTERA 7000 LTD EB BLACK (2016)