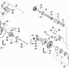
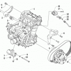
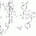
XF 9000 Sno Pro (2014)

Оригинальные запчасти для снегоходов Arctic Cat

Выбор узла

XF 9000 Sno Pro (2014)