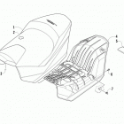
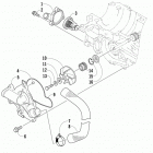
F5 (2014)

Оригинальные запчасти для снегоходов Arctic Cat

Выбор узла

F5 (2014)