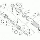
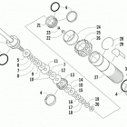
M 1100 (2013)

Оригинальные запчасти для снегоходов Arctic Cat

Выбор узла

M 1100 (2013)