M 800 (2012)

Оригинальные запчасти для снегоходов Arctic Cat

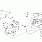
Выбор узла

M 800 (2012)