Уважаемые покупатели оригинальных запчастей для техники ARCTIC CAT!
Сроки поставки запчастей марки ARCTIC CAT сейчас нормализовались и сравнимы со сроками поставки запчастей других американских марок. Однако у дилеров этой марки возможны сообщения про отказы и бэк-ордеры с большой задержкой – до месяца. Мы предупреждаем вас об этой особенности работы дилеров, приносим вам извинения за это неудобство и уверяем вас, что никак не можем повлиять на этот момент. Учитывайте пожалуйста это при заказе деталей!
Сроки поставки запчастей марки ARCTIC CAT сейчас нормализовались и сравнимы со сроками поставки запчастей других американских марок. Однако у дилеров этой марки возможны сообщения про отказы и бэк-ордеры с большой задержкой – до месяца. Мы предупреждаем вас об этой особенности работы дилеров, приносим вам извинения за это неудобство и уверяем вас, что никак не можем повлиять на этот момент. Учитывайте пожалуйста это при заказе деталей!
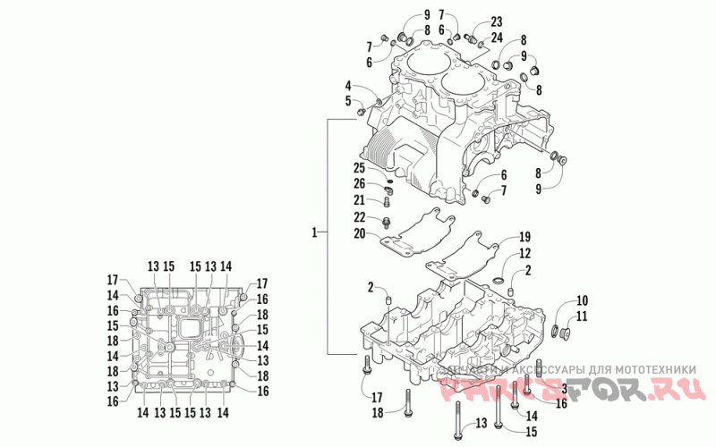
Блок цилиндров
Arctic Cat F 1100 SP LTD
| # | oem код | название | цена |
|---|---|---|---|
1 | 3007-854 Блок цилиндров (вкл.2) | Блок цилиндров (вкл.2) | |
2 | 3004-822 Деталь Pin, Dowel(aligment) | Деталь Pin, Dowel(aligment) | |
3 | 3007-498 Деталь Bolt, Eng Mount Stud(l:25) | Деталь Bolt, Eng Mount Stud(l:25) | |
4 | 3402-444 Прокладка | Прокладка | |
5 | 3007-407 Болт | Болт | |
6 | 3007-083 Деталь Gasket, Oil Gal Plug(10x15x1) | Деталь Gasket, Oil Gal Plug(10x15x1) | |
7 | 3423-452 Деталь Plug, Round-head | Деталь Plug, Round-head | |
8 | 3402-556 Прокладка | Прокладка | |
9 | 3007-501 Пробка | Пробка | |
10 | 3403-106 Прокладка | Прокладка | |
11 | 3007-085 Пробка сливная М26 | Пробка сливная М26 | |
12 | 3007-086 Деталь O Ring, Crankcase (id:21, Dd:2.5) | Деталь O Ring, Crankcase (id:21, Dd:2.5) | |
13 | 3007-087 Болт (8x90) | Болт (8x90) | |
14 | 3007-088 Деталь Bolt, Crankcase (8x70) | Деталь Bolt, Crankcase (8x70) | |
15 | 3007-681 Деталь Bolt, Crankcase (10x105) | Деталь Bolt, Crankcase (10x105) | |
16 | 3007-411 Болт | Болт | |
17 | 3007-401 Болт | Болт | |
18 | 3007-408 Болт | Болт | |
19 | 3007-090 Деталь Plate, Oil Separator-r | Деталь Plate, Oil Separator-r | |
20 | 3007-091 Деталь Plate, Oil Separator-l | Деталь Plate, Oil Separator-l | |
21 | 3007-092 Болт | Болт | |
22 | 3007-855 Деталь Bolt, Oil Separator Plate (6x12) W/washer | Деталь Bolt, Oil Separator Plate (6x12) W/washer | |
23 | 3007-093 Деталь Union, Water Bypass Hose | Деталь Union, Water Bypass Hose | |
24 | 3402-013 Прокладка M16x22x2 | Прокладка M16x22x2 | |
25 | 3423-051 Кольцо | Кольцо | |
26 | 3007-094 Деталь Jet, Piston Cooling | Деталь Jet, Piston Cooling |
