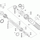
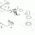
500 Sno Pro (2010)

Оригинальные запчасти для снегоходов Arctic Cat

Выбор узла

500 Sno Pro (2010)