F8 (2009)

Оригинальные запчасти для снегоходов Arctic Cat

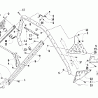
Выбор узла

F8 (2009)