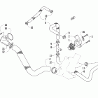
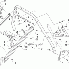
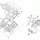
Jaguar Z1 EB (2007)

Оригинальные запчасти для снегоходов Arctic Cat

Выбор узла

Jaguar Z1 EB (2007)