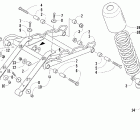
Firecat 600 EFIr (2006)

Оригинальные запчасти для снегоходов Arctic Cat

Выбор узла

Firecat 600 EFIr (2006)