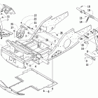
ZR 900 SP (2005)

Оригинальные запчасти для снегоходов Arctic Cat

Выбор узла

ZR 900 SP (2005)