ZR 900 EFI (2005)

Оригинальные запчасти для снегоходов Arctic Cat

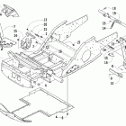
Выбор узла

ZR 900 EFI (2005)