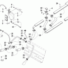
T660 Touring (2005)

Оригинальные запчасти для снегоходов Arctic Cat

Выбор узла

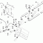
T660 Touring (2005)