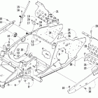
Firecat 500 SP (2005)

Оригинальные запчасти для снегоходов Arctic Cat

Выбор узла

Firecat 500 SP (2005)