Z 570 (2004)

Оригинальные запчасти для снегоходов Arctic Cat

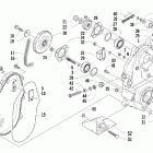
Выбор узла

Z 570 (2004)