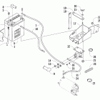
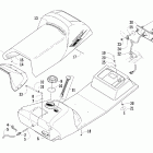
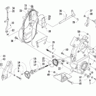
Z 440 LX (2004)

Оригинальные запчасти для снегоходов Arctic Cat

Выбор узла

Z 440 LX (2004)