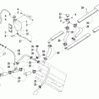
T660 Touring (2004)

Оригинальные запчасти для снегоходов Arctic Cat

Выбор узла

T660 Touring (2004)