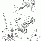
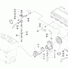
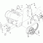
Panther 370 (2004)

Оригинальные запчасти для снегоходов Arctic Cat

Выбор узла

Panther 370 (2004)