Pantera 800 (2004)

Оригинальные запчасти для снегоходов Arctic Cat

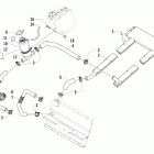
Выбор узла

Pantera 800 (2004)