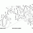
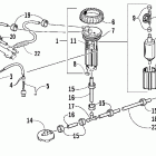
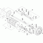
Mountiancat 600 EFI (2003)

Оригинальные запчасти для снегоходов Arctic Cat

Выбор узла

Mountiancat 600 EFI (2003)