Z 570 SS (2002)

Оригинальные запчасти для снегоходов Arctic Cat

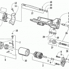
Выбор узла

Z 570 SS (2002)