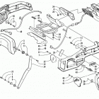
PANTERA 550 (2002)

Оригинальные запчасти для снегоходов Arctic Cat

Выбор узла

PANTERA 550 (2002)