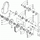
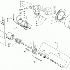
BEARCAT 440 II (2000)

Оригинальные запчасти для снегоходов Arctic Cat

Выбор узла

BEARCAT 440 II (2000)