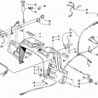
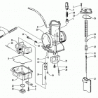
ZR 440 SNO-PRO (1999)

Оригинальные запчасти для снегоходов Arctic Cat

Выбор узла

ZR 440 SNO-PRO (1999)