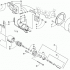
BEARCAT 440 II - 156 IN. (1999)

Оригинальные запчасти для снегоходов Arctic Cat

Выбор узла

BEARCAT 440 II - 156 IN. (1999)