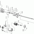
ZRT 600 (1998)

Оригинальные запчасти для снегоходов Arctic Cat

Выбор узла

ZRT 600 (1998)