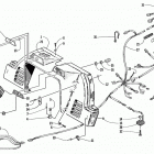
PANTERA 800 (1998)

Оригинальные запчасти для снегоходов Arctic Cat

Выбор узла

PANTERA 800 (1998)