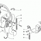
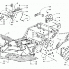
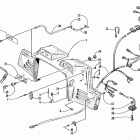
BEARCAT 440 (1998)

Оригинальные запчасти для снегоходов Arctic Cat

Выбор узла

BEARCAT 440 (1998)