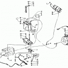
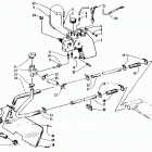
BEARCAT 550 (1995)

Оригинальные запчасти для снегоходов Arctic Cat

Выбор узла

BEARCAT 550 (1995)