ZR 440 (1994)

Оригинальные запчасти для снегоходов Arctic Cat

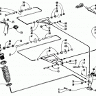
Выбор узла

ZR 440 (1994)