Уважаемые покупатели оригинальных запчастей для техники ARCTIC CAT!
Сроки поставки запчастей марки ARCTIC CAT сейчас нормализовались и сравнимы со сроками поставки запчастей других американских марок. Однако у дилеров этой марки возможны сообщения про отказы и бэк-ордеры с большой задержкой – до месяца. Мы предупреждаем вас об этой особенности работы дилеров, приносим вам извинения за это неудобство и уверяем вас, что никак не можем повлиять на этот момент. Учитывайте пожалуйста это при заказе деталей!
Сроки поставки запчастей марки ARCTIC CAT сейчас нормализовались и сравнимы со сроками поставки запчастей других американских марок. Однако у дилеров этой марки возможны сообщения про отказы и бэк-ордеры с большой задержкой – до месяца. Мы предупреждаем вас об этой особенности работы дилеров, приносим вам извинения за это неудобство и уверяем вас, что никак не можем повлиять на этот момент. Учитывайте пожалуйста это при заказе деталей!
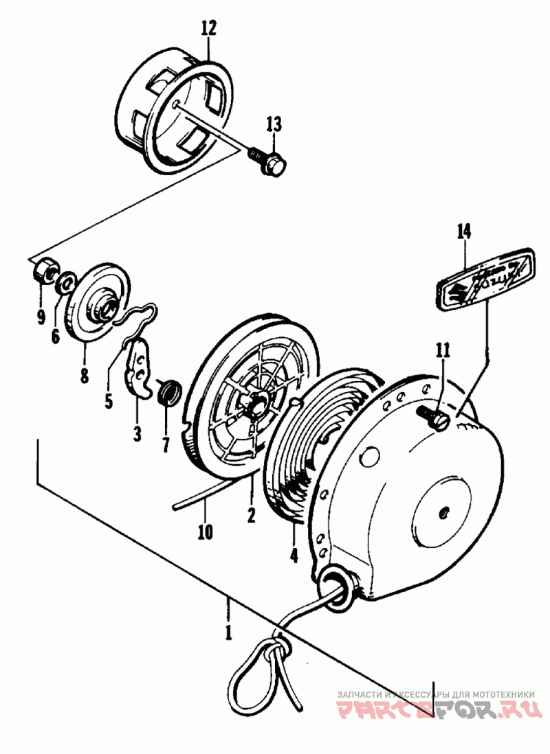
Ручной стартер
Arctic Cat EXT EFI
| # | oem код | название | цена |
|---|---|---|---|
1 | 3006-915 Деталь Starter Ass'y, Recoil | Деталь Starter Ass'y, Recoil | |
2 | 3003-179 Деталь Roller, Starter | Деталь Roller, Starter | |
3 | 3003-180 Деталь Pawl, Starter | Деталь Pawl, Starter | |
4 | 3002-921 Пружина | Пружина | |
5 | 3004-729 Деталь Ratchet Set(w/o Friction Plate) | Деталь Ratchet Set(w/o Friction Plate) | |
6 | 0623-439 Деталь Washer, Flat .375x.625x.064
(5 Per Pack) | Деталь Washer, Flat .375x.625x.064
(5 Per Pack) | |
7 | 3004-729 Деталь Ratchet Set(w/o Friction Plate) | Деталь Ratchet Set(w/o Friction Plate) | |
8 | 3003-181 Пластина | Пластина | |
9 | 3007-684 Деталь Nut, 10mm | Деталь Nut, 10mm | |
10 | 3006-889 Шнурl(6mm Dia)(203 Cm) | Шнурl(6mm Dia)(203 Cm) | |
11 | 3007-374 Болт | Болт | |
12 | 3003-929 Шкив | Шкив | |
13 | 3007-371 Болт М6x12 | Болт М6x12 | |
14 | 1611-588 Деталь Decal, Engine-suzuki | Деталь Decal, Engine-suzuki |
