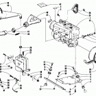
CHEETAH 440 2-SPEED (1994)

Оригинальные запчасти для снегоходов Arctic Cat

Выбор узла

CHEETAH 440 2-SPEED (1994)