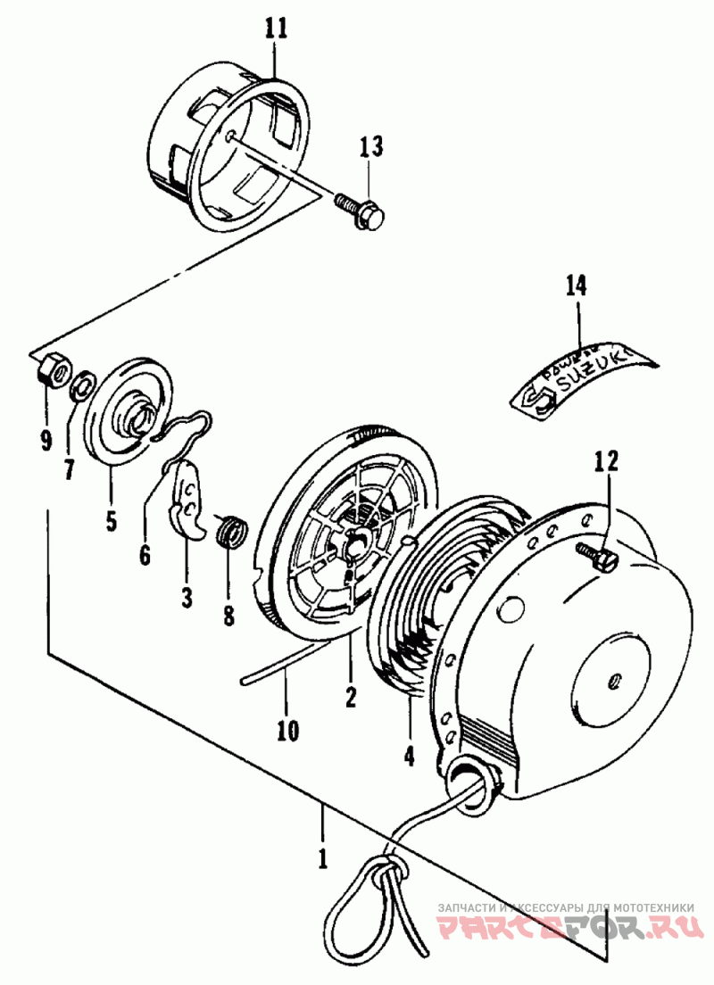
Ручной стартер

Arctic Cat EXT

Arctic Cat
#oem кодцена
1
3006-915
Деталь Starter Ass'y, Recoil
2
3003-179
Деталь Roller, Starter
3
3003-180
Деталь Pawl, Starter
4
3002-921
Пружина
5
3003-181
Пластина
6
3004-729
Деталь Ratchet Set(w/o Friction Plate)
7
0623-439
Деталь Washer, Flat .375x.625x.064 (5 Per Pack)
8
3004-729
Деталь Ratchet Set(w/o Friction Plate)
9
3007-684
Деталь Nut, 10mm
10
3006-889
Шнурl(6mm Dia)(203 Cm)
11
3003-929
Шкив
12
3007-374
Болт
13
3007-371
Болт М6x12