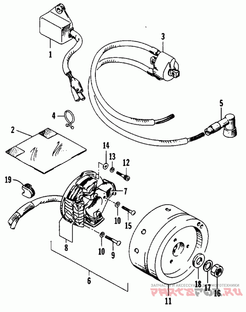
Electrical equipment / magneto

Arctic Cat WILDCAT 700

Arctic Cat
#oem кодцена
1
3004-099
Деталь Cdi
2
3003-474
Крышка
3
3005-185
Деталь Coil Set, Ignition
4
3002-278
Деталь Clamp, M6
5
3006-367
Калпачек свечи NGK Tb05emd
6
3004-833
Статор
7
3003-013
Деталь Coil Assembly, Lighting
8
3004-834
Деталь Coil, Primary From(3003-681 )
9
3007-843
Деталь Screw, M5x35
10
3007-628
Деталь Washer, Lock-5mm
11
3004-136
Маховик
12
3007-509
Болт
13
3004-447
Деталь Washer, Lock 6mm (5 Per Pack)
14
3006-401
Деталь Washer, 6.3 X 14 X 1.6
15
3007-848
Винт 5x30
16
3007-556
Гайка
17
3007-427
Гровер
18
3005-175
Деталь Washer, 14.5x28x5
19
3005-918
Уплотнитель провода