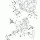
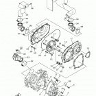
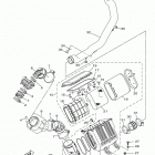
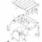
VIKING EPS HUNTER YXM70VPHHH (2017)

Оригинальные запчасти для мотовездеходов Yamaha

Выбор узла

VIKING EPS HUNTER YXM70VPHHH (2017)