RANGER RZR 800 EFI/EPS - R12VH76AD/AF/AH/AJ/EAB (2012)

Оригинальные запчасти для мотовездеходов Polaris Ranger

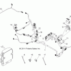
Выбор узла

RANGER RZR 800 EFI/EPS - R12VH76AD/AF/AH/AJ/EAB (2012)