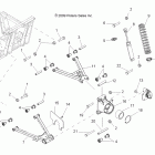
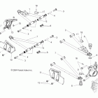
RANGER CREW 800 - R12WH76AG/AR/EAH/EAV (2012)

Оригинальные запчасти для мотовездеходов Polaris Ranger

Выбор узла

RANGER CREW 800 - R12WH76AG/AR/EAH/EAV (2012)