• О Компании
  • Оплата и Доставка
  • Помощь
  • Обратная связь
  • Контакты
  • Telegram
  • ВКонтакте
  • Telegram
  • ВКонтакте
  • Регистрация
  • Авторизация
Интернет магазин мотозапчастей PartsFor.ru
Москва и регионы России
  • Личный кабинет
    • Заказы
    • Оплаты
    • Отгрузки
    • Сообщения
    • Профиль
    • Выход
  • Оригинальные запчасти
    • Для мотоциклов
    • Yamaha
    • Honda
    • Suzuki
    • Kawasaki
    • Harley Davidson
    • Ducati
    • Can-Am
    • Aprilia
    • BMW
    • Triumph
    • Husaberg
    • Husqvarna
    • KTM
    • Indian
    • Victory
    • Slingshot
    • Для мотоциклов
    • Для квадроциклов
    • Для снегоходов
    • Для мотовездеходов
    • Для гидроциклов
    • Для лодочных моторов
    • Для катеров
    • Для судовых двигателей
    • Для генераторов
    • Для квадроциклов
    • Yamaha
    • Honda
    • Suzuki
    • Kawasaki
    • Arctic Cat
    • Can-Am
    • Polaris
    • KTM
    • Для снегоходов
    • Yamaha
    • Arctic Cat
    • Lynx
    • Ski-Doo
    • Polaris
    • Для генераторов
    • Для мотовездеходов
    • Yamaha
    • Honda
    • Suzuki
    • Kawasaki
    • Arctic Cat
    • Can-Am
    • Polaris
    • Polaris RZR
    • Для гидроциклов
    • Yamaha
    • Honda Marine
    • Kawasaki
    • Arctic Cat
    • Polaris
    • Sea-Doo
    • Для лодочных моторов
    • Для катеров
    • Для суд. двигателей
    • Для генераторов
    • Для лодочных моторов
    • Yamaha
    • Honda Marine
    • Suzuki Marine
    • Evinrude
    • Johnson
    • Nissan
    • Tohatsu
    • Mercury
    • Force
    • Mariner
    • Для катеров
    • Yamaha
    • Sea-Doo
    • Для суд. двигателей
    • Для спецтехники
  • Неоригинал, расходники
  • Заказ по каталогам
    • КАТАЛОГ PARTS UNLIMITED
  • Моторезина
  1. Главная
  2. Запчасти для мотовездеходов
  3. Polaris Ranger
  4. 2006
  5. R06RB63AA RANGER TM

R06RB63AA RANGER TM (2006)

Оригинальные запчасти для мотовездеходов Polaris Ranger

Выбор узла

R06RB63AA RANGER TM (2006)
  • R06RB63AA RANGER TM Рулевые тяги
    Рулевые тяги
  • R06RB63AA RANGER TM Редуктор
    Редуктор
  • R06RB63AA RANGER TM Asm., box
    Asm., box
  • R06RB63AA RANGER TM Gearcase, internal
    Gearcase, internal
  • R06RB63AA RANGER TM Box mounting
    Box mounting
  • R06RB63AA RANGER TM Gearcase, output shaft
    Gearcase, output shaft
  • R06RB63AA RANGER TM Box support
    Box support
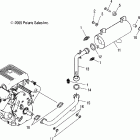
  • R06RB63AA RANGER TM Gearcase, rear
    Gearcase, rear
  • R06RB63AA RANGER TM Brake caliper, front
    Brake caliper, front
  • R06RB63AA RANGER TM Регулятор,вед .звезда
    Регулятор,вед .звезда
  • R06RB63AA RANGER TM Brake calipers, rear
    Brake calipers, rear
  • R06RB63AA RANGER TM Капот
    Капот
  • R06RB63AA RANGER TM Brake lines / master cylinder
    Brake lines / master cylinder
  • R06RB63AA RANGER TM Клапана
    Клапана
  • R06RB63AA RANGER TM Brake, foot
    Brake, foot
  • R06RB63AA RANGER TM Moldings
    Moldings
  • R06RB63AA RANGER TM Карбюратор
    Карбюратор
  • R06RB63AA RANGER TM Масляный насос
    Масляный насос
  • R06RB63AA RANGER TM Chassis / body
    Chassis / body
  • R06RB63AA RANGER TM Park brake lock cables
    Park brake lock cables
  • R06RB63AA RANGER TM Охлаждение
    Охлаждение
  • R06RB63AA RANGER TM Park brake pedal
    Park brake pedal
  • R06RB63AA RANGER TM Картер
    Картер
  • R06RB63AA RANGER TM Prop shaft, rear
    Prop shaft, rear
  • R06RB63AA RANGER TM Коленвал и поршни
    Коленвал и поршни
  • R06RB63AA RANGER TM Сидение
    Сидение
  • R06RB63AA RANGER TM Dash instruments and controls
    Dash instruments and controls
  • R06RB63AA RANGER TM Shock, rear
    Shock, rear
  • R06RB63AA RANGER TM Наклейки
    Наклейки
  • R06RB63AA RANGER TM Стартер
    Стартер
  • R06RB63AA RANGER TM Муфта сцепления
    Муфта сцепления
  • R06RB63AA RANGER TM Управление
    Управление
  • R06RB63AA RANGER TM Привод сцепления
    Привод сцепления
  • R06RB63AA RANGER TM Strut, front
    Strut, front
  • R06RB63AA RANGER TM Electric device
    Electric device
  • R06RB63AA RANGER TM Бугель
    Бугель
  • R06RB63AA RANGER TM Electrical / battery
    Electrical / battery
  • R06RB63AA RANGER TM Tailgate
    Tailgate
  • R06RB63AA RANGER TM Крепление двигателя
    Крепление двигателя
  • R06RB63AA RANGER TM Акселератор
    Акселератор
  • R06RB63AA RANGER TM Глушитель
    Глушитель
  • R06RB63AA RANGER TM Инструмент
    Инструмент
  • R06RB63AA RANGER TM Топливный насос
    Топливный насос
  • R06RB63AA RANGER TM Крепление КПП
    Крепление КПП
  • R06RB63AA RANGER TM Топливная система
    Топливная система
  • R06RB63AA RANGER TM Wheel drive, rear
    Wheel drive, rear
  • R06RB63AA RANGER TM Gear selector / differential lock
    Gear selector / differential lock
  • R06RB63AA RANGER TM Колесо переднее
    Колесо переднее


  Информация
  • Новости
  • О Компании
  • Оплата и Доставка
  • Помощь
  • Обратная связь
  • Контакты
  OEM запчасти
  • Запчасти для мотоциклов
  • Запчасти для квадроциклов
  • Запчасти для снегоходов
  • Запчасти для мотовездеходов
  • Запчасти для гидроциклов
  • Запчасти для лодочных моторов
  Наши контакты
  • ИП Зуев Артем Павлович
  • г. Москва 2-я Хуторская улица, д.29, офис 214
  • Email: info@partsfor.ru

Тел: ‎8(495) 532-03-60
8(909) 958-46-33; 8(925) 200-16-98

* все разговоры записываются
С 10.00 до 19.00 ПН - ПТ

© 2026 Интернет магазин запчастей для мототехники ПартсФор.

  • PaymentGateway
  • PaymentGateway
Договор-оферта
Образец договора для юр.лиц
Пользовательское соглашение
Политика конфиденциальности

Товар добавлен в корзину

Выбранный товар добавлен в Вашу корзину.
Далее Вы можете перейти в корзину для оформления заказа или закрыть это окно и продолжить покупки.

Перейти в корзину

Выбор модели техники

Выбрать