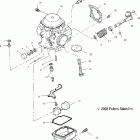
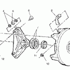
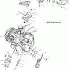
A04RB42AA RANGER 2X4,4X4,6X6 (2004)

Оригинальные запчасти для мотовездеходов Polaris Ranger

Выбор узла

A04RB42AA RANGER 2X4,4X4,6X6 (2004)