TERYX4 (2020)

Оригинальные запчасти для мотовездеходов Kawasaki

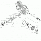
Выбор узла

TERYX4 (2020)