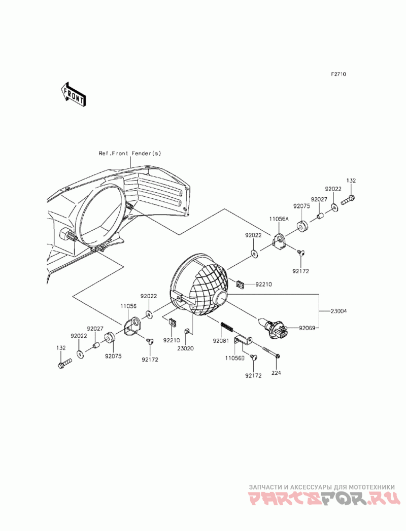
Фара

Kawasaki Mule PRO-FX (KAF820-EGF)

Kawasaki
#oem кодцена
132
132BA0625
Болт М6
224
224AA0440
Деталь Screw-pan-wp-cros
11056
11056-2931
Крепление левое
11056A
11056-2932
Крепление правое
11056B
11056-2933
Держатель
23004
23004-0339
Деталь Lamp-head
23020
23020-018
Гайка 4мм
92022
92022-125
Деталь Washer 6.5x20x1.6t
92027
92027-162
Втулка
92069
92069-0082
Деталь Bulb, H13-12-8v
92075
92075-1690
Демпфер
92081
92081-1896
Пружина
92172
92172-0284
Деталь Screw, 6x16
92210
92210-1125
Гайка