Teryx 750 FI 4X4 Sport (KRF750-SAF) (2010)

Оригинальные запчасти для мотовездеходов Kawasaki

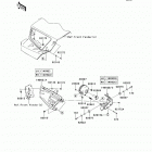
Выбор узла

Teryx 750 FI 4X4 Sport (KRF750-SAF) (2010)