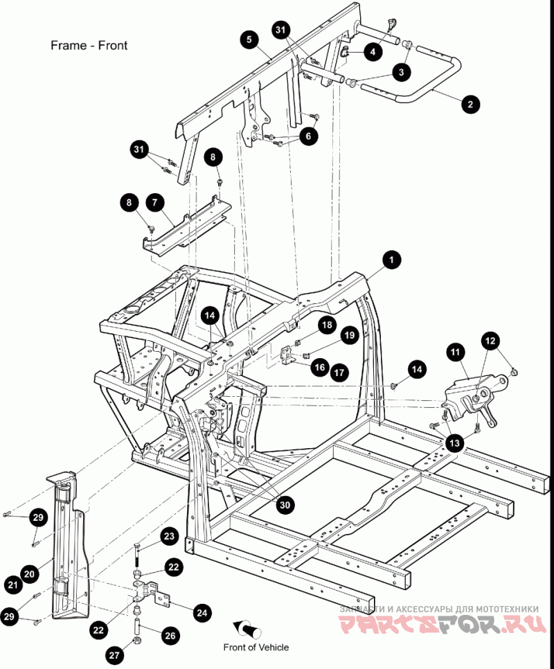
Frame - front

Arctic Cat STAMPEDE 4

Arctic Cat
#oem кодцена