WILDCAT 1000 LTD ORANGE (2014)

Оригинальные запчасти для мотовездеходов Arctic Cat

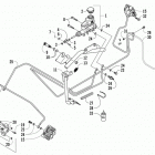
Выбор узла

WILDCAT 1000 LTD ORANGE (2014)