Prowler HDX (2012)

Оригинальные запчасти для мотовездеходов Arctic Cat

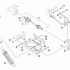
Выбор узла

Prowler HDX (2012)