Prowler 650 XT (2009)

Оригинальные запчасти для мотовездеходов Arctic Cat

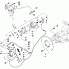
Выбор узла

Prowler 650 XT (2009)