• О Компании
  • Оплата и Доставка
  • Помощь
  • Обратная связь
  • Контакты
  • Telegram
  • ВКонтакте
  • Telegram
  • ВКонтакте
  • Регистрация
  • Авторизация
Интернет магазин мотозапчастей PartsFor.ru
Москва и регионы России
  • Личный кабинет
    • Заказы
    • Оплаты
    • Отгрузки
    • Сообщения
    • Профиль
    • Выход
  • Оригинальные запчасти
    • Для мотоциклов
    • Yamaha
    • Honda
    • Suzuki
    • Kawasaki
    • Harley Davidson
    • Ducati
    • Can-Am
    • Aprilia
    • BMW
    • Triumph
    • Husaberg
    • Husqvarna
    • KTM
    • Indian
    • Victory
    • Slingshot
    • Для мотоциклов
    • Для квадроциклов
    • Для снегоходов
    • Для мотовездеходов
    • Для гидроциклов
    • Для лодочных моторов
    • Для катеров
    • Для судовых двигателей
    • Для генераторов
    • Для квадроциклов
    • Yamaha
    • Honda
    • Suzuki
    • Kawasaki
    • Arctic Cat
    • Can-Am
    • Polaris
    • KTM
    • Для снегоходов
    • Yamaha
    • Arctic Cat
    • Lynx
    • Ski-Doo
    • Polaris
    • Для генераторов
    • Для мотовездеходов
    • Yamaha
    • Honda
    • Suzuki
    • Kawasaki
    • Arctic Cat
    • Can-Am
    • Polaris
    • Polaris RZR
    • Для гидроциклов
    • Yamaha
    • Honda Marine
    • Kawasaki
    • Arctic Cat
    • Polaris
    • Sea-Doo
    • Для лодочных моторов
    • Для катеров
    • Для суд. двигателей
    • Для генераторов
    • Для лодочных моторов
    • Yamaha
    • Honda Marine
    • Suzuki Marine
    • Evinrude
    • Johnson
    • Nissan
    • Tohatsu
    • Mercury
    • Force
    • Mariner
    • Для катеров
    • Yamaha
    • Sea-Doo
    • Для суд. двигателей
    • Для спецтехники
  • Неоригинал, расходники
  • Заказ по каталогам
    • КАТАЛОГ PARTS UNLIMITED
  • Моторезина
  1. Главная
  2. Запчасти для мотоциклов
  3. Yamaha
  4. YN50
  5. YN50R

Запчасти для мотоциклов Yamaha YN50R NEO'S

Год: 1998  •  Код модели: 5BV1  •  Объем двигателя: 50

Запчасти для мотоциклов Yamaha YN50R NEO'S
Вид:

  • YN50R Цилиндры
    Цилиндры
  • YN50R Коленчатый вал и поршни
    Коленчатый вал и поршни
  • YN50R Verkleidung lufter
    Verkleidung lufter
  • YN50R Масляный насос
    Масляный насос
  • YN50R Впускная система
    Впускная система
  • YN50R Карбюратор
    Карбюратор
  • YN50R Выхлопная система
    Выхлопная система
  • YN50R Картер двигателя
    Картер двигателя
  • YN50R Стартер
    Стартер
  • YN50R Сцепление
    Сцепление
  • YN50R Трансмиссия
    Трансмиссия
  • YN50R Рама
    Рама
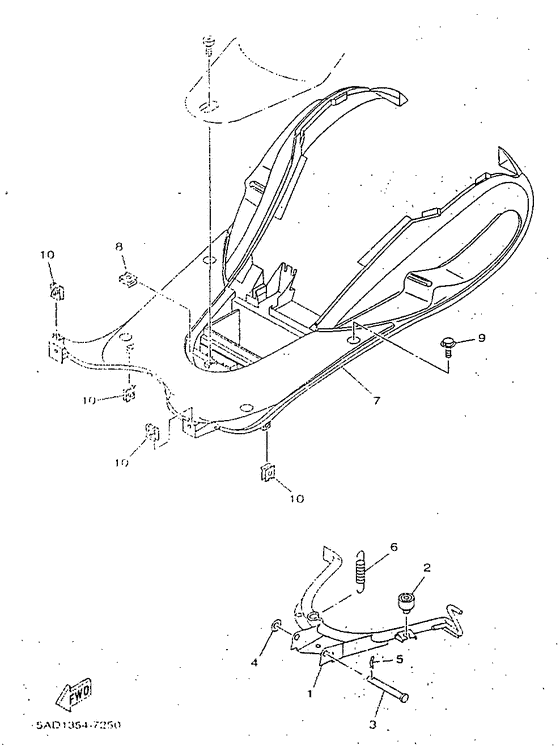
  • YN50R Крыло
    Крыло
  • YN50R Боковые обтекатели
    Боковые обтекатели
  • YN50R Oltank
    Oltank
  • YN50R Задняя подвеска
    Задняя подвеска
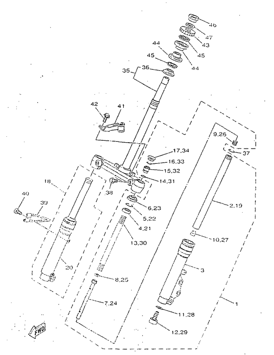
  • YN50R Передняя вилка
    Передняя вилка
  • YN50R Топливный бак
    Топливный бак
  • YN50R Сиденье
    Сиденье
  • YN50R Переднее колесо
    Переднее колесо
  • YN50R Передний тормоз
    Передний тормоз
  • YN50R Переднее колесо
    Переднее колесо
  • YN50R Steering handle. cable
    Steering handle. cable
  • YN50R Hauptbremszylinder
    Hauptbremszylinde r
  • YN50R Stand. footrest
    Stand. footrest
  • YN50R Ветровое стекло
    Ветровое стекло
  • YN50R Обтекатель 1
    Обтекатель 1
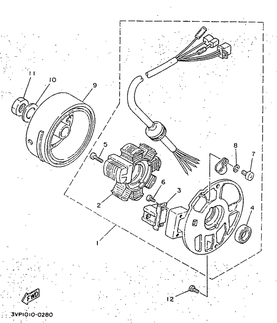
  • YN50R Генератор
    Генератор
  • YN50R Поворотники
    Поворотники
  • YN50R Приборы
    Приборы
  • YN50R Фара
    Фара
  • YN50R Фонарь
    Фонарь
  • YN50R Handle switch. lever
    Handle switch. lever
  • YN50R Elektrische ausrustung 1
    Elektrische ausrustung 1
  • YN50R Elektrische ausrustung 2
    Elektrische ausrustung 2



  Информация
  • Новости
  • О Компании
  • Оплата и Доставка
  • Помощь
  • Обратная связь
  • Контакты
  OEM запчасти
  • Запчасти для мотоциклов
  • Запчасти для квадроциклов
  • Запчасти для снегоходов
  • Запчасти для мотовездеходов
  • Запчасти для гидроциклов
  • Запчасти для лодочных моторов
  Наши контакты
  • ИП Зуев Артем Павлович
  • г. Москва 2-я Хуторская улица, д.29, офис 214
  • Email: info@partsfor.ru

Тел: ‎8(495) 532-03-60
8(909) 958-46-33; 8(925) 200-16-98

* все разговоры записываются
С 10.00 до 19.00 ПН - ПТ

© 2026 Интернет магазин запчастей для мототехники ПартсФор.

  • PaymentGateway
  • PaymentGateway
Договор-оферта
Образец договора для юр.лиц
Пользовательское соглашение
Политика конфиденциальности

Товар добавлен в корзину

Выбранный товар добавлен в Вашу корзину.
Далее Вы можете перейти в корзину для оформления заказа или закрыть это окно и продолжить покупки.

Перейти в корзину

Выбор модели техники

Выбрать