• О Компании
  • Оплата и Доставка
  • Помощь
  • Обратная связь
  • Контакты
  • Telegram
  • ВКонтакте
  • Telegram
  • ВКонтакте
  • Регистрация
  • Авторизация
Интернет магазин мотозапчастей PartsFor.ru
Москва и регионы России
  • Личный кабинет
    • Заказы
    • Оплаты
    • Отгрузки
    • Сообщения
    • Профиль
    • Выход
  • Оригинальные запчасти
    • Для мотоциклов
    • Yamaha
    • Honda
    • Suzuki
    • Kawasaki
    • Harley Davidson
    • Ducati
    • Can-Am
    • Aprilia
    • BMW
    • Triumph
    • Husaberg
    • Husqvarna
    • KTM
    • Indian
    • Victory
    • Slingshot
    • Для мотоциклов
    • Для квадроциклов
    • Для снегоходов
    • Для мотовездеходов
    • Для гидроциклов
    • Для лодочных моторов
    • Для катеров
    • Для судовых двигателей
    • Для генераторов
    • Для квадроциклов
    • Yamaha
    • Honda
    • Suzuki
    • Kawasaki
    • Arctic Cat
    • Can-Am
    • Polaris
    • KTM
    • Для снегоходов
    • Yamaha
    • Arctic Cat
    • Lynx
    • Ski-Doo
    • Polaris
    • Для генераторов
    • Для мотовездеходов
    • Yamaha
    • Honda
    • Suzuki
    • Kawasaki
    • Arctic Cat
    • Can-Am
    • Polaris
    • Polaris RZR
    • Для гидроциклов
    • Yamaha
    • Honda Marine
    • Kawasaki
    • Arctic Cat
    • Polaris
    • Sea-Doo
    • Для лодочных моторов
    • Для катеров
    • Для суд. двигателей
    • Для генераторов
    • Для лодочных моторов
    • Yamaha
    • Honda Marine
    • Suzuki Marine
    • Evinrude
    • Johnson
    • Nissan
    • Tohatsu
    • Mercury
    • Force
    • Mariner
    • Для катеров
    • Yamaha
    • Sea-Doo
    • Для суд. двигателей
    • Для спецтехники
  • Неоригинал, расходники
  • Заказ по каталогам
    • КАТАЛОГ PARTS UNLIMITED
  • Моторезина
  1. Главная
  2. Запчасти для мотоциклов
  3. Yamaha
  4. YN50
  5. YN50

Запчасти для мотоциклов Yamaha YN50 NEO'S

Год: 2000  •  Код модели: 5ADW  •  Объем двигателя: 50

Запчасти для мотоциклов Yamaha YN50 NEO'S
Вид:

  • YN50 Cilindro. culata
    Cilindro. culata
  • YN50 Коленчатый вал и поршни
    Коленчатый вал и поршни
  • YN50 Air shroud. fan
    Air shroud. fan
  • YN50 Масляный насос
    Масляный насос
  • YN50 Впускная система
    Впускная система
  • YN50 Карбюратор
    Карбюратор
  • YN50 Flexible pipe
    Flexible pipe
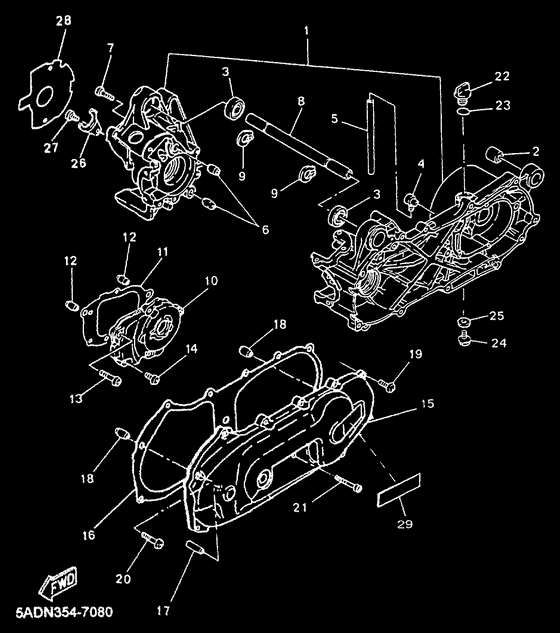
  • YN50 Картер двигателя
    Картер двигателя
  • YN50 Стартер
    Стартер
  • YN50 Сцепление
    Сцепление
  • YN50 Трансмиссия
    Трансмиссия
  • YN50 Bastidor
    Bastidor
  • YN50 Frontal delantero
    Frontal delantero
  • YN50 Cuerpo central
    Cuerpo central
  • YN50 Deposito de aceite
    Deposito de aceite
  • YN50 Suspension trasera
    Suspension trasera
  • YN50 Передняя вилка
    Передняя вилка
  • YN50 Топливный бак
    Топливный бак
  • YN50 Сиденье
    Сиденье
  • YN50 Переднее колесо
    Переднее колесо
  • YN50 Freno delantero
    Freno delantero
  • YN50 Переднее колесо
    Переднее колесо
  • YN50 Manillar y cables
    Manillar y cables
  • YN50 Bomba de freno delantero
    Bomba de freno delantero
  • YN50 Base de reposapies
    Base de reposapies
  • YN50 Escudo de salvapiernas
    Escudo de salvapiernas
  • YN50 Carenado de faro delantero
    Carenado de faro delantero
  • YN50 Генератор
    Генератор
  • YN50 Поворотники
    Поворотники
  • YN50 Panel de cuenta kms. y testigo
    Panel de cuenta kms. y testigo
  • YN50 Фара
    Фара
  • YN50 Grupo luces traseras
    Grupo luces traseras
  • YN50 Grupo conmutadores con manetas
    Grupo conmutadores con manetas
  • YN50 Grupo electrico 1
    Grupo electrico 1
  • YN50 Grupo electrico 2
    Grupo electrico 2



  Информация
  • Новости
  • О Компании
  • Оплата и Доставка
  • Помощь
  • Обратная связь
  • Контакты
  OEM запчасти
  • Запчасти для мотоциклов
  • Запчасти для квадроциклов
  • Запчасти для снегоходов
  • Запчасти для мотовездеходов
  • Запчасти для гидроциклов
  • Запчасти для лодочных моторов
  Наши контакты
  • ИП Зуев Артем Павлович
  • г. Москва 2-я Хуторская улица, д.29, офис 214
  • Email: info@partsfor.ru

Тел: ‎8(495) 532-03-60
8(909) 958-46-33; 8(925) 200-16-98

* все разговоры записываются
С 10.00 до 19.00 ПН - ПТ

© 2026 Интернет магазин запчастей для мототехники ПартсФор.

  • PaymentGateway
  • PaymentGateway
Договор-оферта
Образец договора для юр.лиц
Пользовательское соглашение
Политика конфиденциальности

Товар добавлен в корзину

Выбранный товар добавлен в Вашу корзину.
Далее Вы можете перейти в корзину для оформления заказа или закрыть это окно и продолжить покупки.

Перейти в корзину

Выбор модели техники

Выбрать